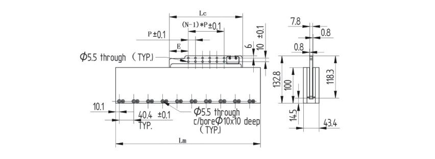
经济型无铁芯线性马达
结构紧凑,输出力大,效率高,可承受较大驱动电流,是高速高精度应用场合的经济型解决方案。》DHUE2系列》DHUE6系列》DHUE7系列
◆自重小,加速快,动力大,可提供大于10G的高加速度
◆运动平稳,可提供1um/s的最低速度,最高速度可高达15m/s,高、低速下同样具有很高的定位和运动精度
◆允许马达在真空环境下使用
◆可组成独特的Decouple结构,是高性能XY平台的一种重要组成方式
◆马达小巧、性价比高
◆结构轻巧灵活,安装紧凑,适合安装空间小,高速、高频响的场合